设计与制造:GB/T 12237
结构长度:GB/T 12221
法兰标准:HG/T 20592
公称压力:PN10, PN16, PN25, Class150
连接方式:法兰式
压力试验:GB/T 13927
操作方式:手柄,涡轮,气动,电动
| 遵循规范 | |
| 设计与制造: | GB/T 12237 |
| 结构长度: | GB/T 12221 |
| 法兰标准: | HG/T 20592 |
| 公称压力: | PN10,PN16,PN25,Class150 |
| 连接方式: | 法兰式 |
| 压力试验: | GB/T 13927 |
| 操作方式: | 手柄,涡轮,气动,电动 |
| 主要零部件材料表 | ||||||
| 序号 | 零件名称 | 碳钢 | 不锈钢 | 超低碳不锈钢 | ||
| C | P | R | PL | RL | ||
| 1 | 阀体 | WCB | CF8 | CF8M | CF3 | CF3M |
| 2 | 球 | WCB | CF8 | CF8M | CF3 | CF3M |
| 3 | 方块 | WCB | CF8 | CF8M | CF3 | CF3M |
| 4 | 压盖 | WCB | CF8 | CF8M | CF3 | CF3M |
| 5 | 衬里层 | FEP(F46)/PTFE(F4)/PFA | ||||
| 6 | 填料 | PTFE | PTFE | PTFE | PTFE | PTFE |
| 7 | 螺栓 | 25# | 304 | 316 | 304 | 316 |
| 8 | 螺母 | 25# | 304 | 316 | 304 | 316 |
| 9 | 手柄/涡轮 | 25#/QT450 | ||||
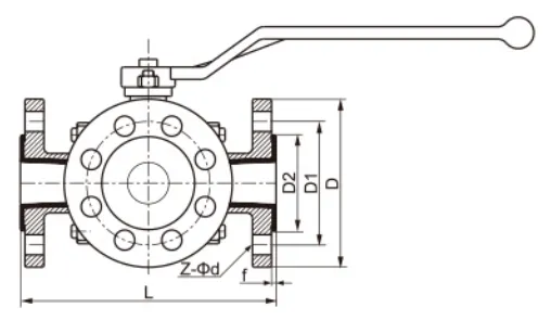
| 主要连接尺寸及重量 | ||||||
| 公称通径 DN(mm) | 标准值 | |||||
| L | D | D1 | D2 | f | Z-Φd | |
| PN1.0MPa | ||||||
| 25 | 180 | 115 | 85 | 65 | 3 | 4-Φ14 |
| 32 | 200 | 140 | 100 | 78 | 3 | 4-Φ18 |
| 40 | 220 | 150 | 110 | 85 | 3 | 4-Φ18 |
| 50 | 240 | 165 | 125 | 100 | 3 | 4-Φ18 |
| 65 | 260 | 185 | 145 | 120 | 3.5 | 8-Φ18 |
| 80 | 280 | 200 | 160 | 135 | 4 | 8-Φ18 |
| 100 | 320 | 220 | 180 | 155 | 4 | 8-Φ18 |
| 125 | 370 | 250 | 210 | 185 | 4 | 8-Φ18 |
| 150 | 430 | 285 | 240 | 210 | 4 | 8-Φ22 |
| 200 | 550 | 340 | 295 | 265 | 4 | 8-Φ22 |
| 250 | 670 | 395 | 350 | 320 | 5 | 12-Φ22 |
| 300 | 720 | 445 | 400 | 370 | 5 | 12-Φ22 |
| PN1.6MPa | ||||||
| 25 | 180 | 115 | 85 | 65 | 3 | 4-Φ14 |
| 32 | 200 | 140 | 100 | 78 | 3 | 4-Φ18 |
| 40 | 220 | 150 | 110 | 85 | 3 | 4-Φ18 |
| 50 | 240 | 165 | 125 | 100 | 3 | 4-Φ18 |
| 65 | 260 | 185 | 145 | 120 | 3.5 | 8-Φ18 |
| 80 | 280 | 200 | 160 | 135 | 4 | 8-Φ18 |
| 100 | 320 | 220 | 180 | 155 | 4 | 8-Φ18 |
| 125 | 370 | 250 | 210 | 185 | 4 | 8-Φ18 |
| 150 | 430 | 285 | 240 | 210 | 4 | 8-Φ22 |
| 200 | 550 | 340 | 295 | 265 | 4 | 12-Φ22 |
| 250 | 670 | 405 | 355 | 320 | 5 | 12-Φ26 |
| 300 | 720 | 460 | 410 | 370 | 5 | 12-Φ26 |
Zhejiang Lierdao Valve Co., Ltd
咨询热线 0577-86860737
公司地址:
浙江温州龙湾空港新区金海三道903号
扫码咨询更多:
Copyright © 2026 浙江利尔多阀门有限公司 All Rights Reserved.