公称压力(PN):PNs2.5(MPa)
结构长度:ANSI 150Lb/JIS 10K
法兰尺寸:(企业标准)Q/JL07-09
压力试验:参照GB/T 13927AP1598
衬里层检验:HG/T 21562(电火花检测)
| 遵循规范 | 材料 | ||
| 公称压力(PN): | PN≤2.5(MPa) | 钢管 | 无缝碳钢管20#ANSI 40# |
| 结构长度: | ANSI 150LB/JIS 10K | 法兰 | 钢管Q235A,WCB |
| 法兰尺寸: | (企业标准)Q/JL07-09 | 弯头,异径管、三通,四通,仪表接头 | 无缝碳钢管20ANSI 40# 碳钢WCB |
| 压力试验: | 参照GB/T 13927API598 | 衬里层材料(全衬里) | 聚四氟乙烯 PTFE 聚丙烯 PP 聚烯烃 PO 聚乙烯 PE |
| 衬里层检验: | HG/T 21562(电火花检测) | ||
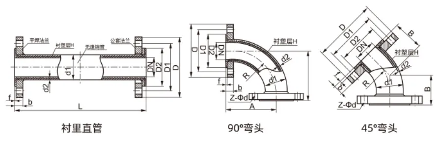
| 衬里直管 | |||||
| 公称通径 | 钢管壁厚 T(mm) | 衬里厚度 T(mm) | 长度 L(mm) | 重量/定尺 kg/m | |
| mm | inch | ||||
| 25 | 1" | 3 | 2 | ≤400(缠绕管) ≤3000(推压管) 或根据合同要求 (定尺制造) | 4.7 |
| 32 | 1 1/4" | 3 | 2 | 6.1 | |
| 40 | 1 1/2" | 3.5 | 2 | 7.5 | |
| 50 | 2" | 4 | 2 | 10.4 | |
| 65 | 2 1/2" | 4 | 2.2 | 14.7 | |
| 80 | 3" | 4.5 | 2.2 | 16.7 | |
| 100 | 4" | 4.5 | 2.2 | 21.1 | |
| 125 | 5" | 4.5 | 2.5 | 27.4 | |
| 150 | 6" | 5 | 2.5 | 35.4 | |
| 200 | 8" | 6 | 2.5 | 55 | |
| 250 | 10" | 7 | 2.5 | 88.2 | |
| 300 | 12" | 8 | 2.5 | 1.4.5 | |
| 90°衬里管子 | 45°衬里弯头 | ||||||
| 公称通径 | L (mm) | kg (参考) | 公称通径 | L (mm) | kg (参考) | ||
| mm | inch | mm | inch | ||||
| 25 | 1" | 98 | 2.7 | 25 | 1" | 62 | 2.5 |
| 32 | 1 1/4" | 108 | 3.2 | 32 | 1 1/4" | 65 | 3.4 |
| 40 | 1 1/2" | 110 | 4.3 | 40 | 1 1/2" | 63 | 3.6 |
| 50 | 2" | 125 | 5.7 | 50 | 2" | 64 | 4.3 |
| 65 | 2 1/2" | 114 | 6.8 | 65 | 2 1/2" | 71 | 6.1 |
| 80 | 3" | 120 | 7.3 | 80 | 3" | 74 | 6.37 |
| 100 | 4" | 150 | 9.1 | 100 | 4" | 85 | 8.3 |
| 125 | 5" | 180 | 12.6 | 125 | 5" | 105 | 12.5 |
| 150 | 6" | 200 | 18.5 | 150 | 6" | 123 | 17.3 |
| 200 | 8" | 225 | 26.4 | 200 | 8" | 158 | 25.8 |
| 250 | 10" | 280 | 36.2 | 250 | 10" | 195 | 41.7 |
| 300 | 12" | 300 | 46.8 | 300 | 12" | 226 | 49.1 |
Zhejiang Lierdao Valve Co., Ltd
咨询热线 0577-86860737
公司地址:
浙江温州龙湾空港新区金海三道903号
扫码咨询更多:
Copyright © 2026 浙江利尔多阀门有限公司 All Rights Reserved.